지난 8월에 위즈네트 새로운 네트워크 io 모듈 제품을 출시했습니다. 위즈네트의 io 모듈은 MCU가 포함되지 않고 Hardwired TCP/IP chip만 포함되어 있는 모듈입니다. 그렇기 때문에 네트워크 io 모듈을 사용하기를 원하는 사용자들은 별도의 MCU를 사용해야 합니다. 그리고 TCP/IP 프로토콜 처리는 위즈네트의 chip에서 모두 처리해 주기 때문에 사용자는 매우 쉽게 이더넷 기능을 구현할 수 있습니다.

위즈네트는 3가지 모듈을 출시했었습니다. 바로 W5100S-io, W5500-io, W6100-io입니다. 각각의 모듈은 포함된 chip의 종류만 다르고 거의 모든 것이 같습니다. 모듈은 chip이 기본적으로 동작할 때 필요한 회로를 모두 포함하고 있기 때문에 사용자는 어려운 회로 설계 없이 사용이 가능합니다. 그리고 사용자의 MCU와 SPI로 연결하면 사용 가능하고 RJ45 커넥터가 포함되지 않아 매우 작은 사이즈입니다. 기본적인 Ethernet PHY 회로가 내장되어 있기 때문에 사용자는 RJ45나 트랜스포머에 연결만 하면 바로 사용할 수 있습니다.
아래는 이 3가지 모듈의 간단한 비교표입니다.

그래서 이번 글에서는 이 3가지 모듈이 기본적인 동작을 하는 레퍼런스 회로를 공유해 보려고 합니다. 이 모듈들은 기본적인 회로를 모두 내장하고 있기 때문에 간단게 연결만 해도 동작을 합니다.
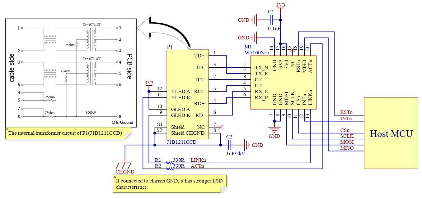
W5100s-io Ref SCH

W5500-io는 W5500를 포함한 콤팩트한 크기의 네트워크 io 모듈입니다. 기본적으로 W5500를 사용하기 위한 회로가 포함되어 있고 PHY 회로도 가지고 있기 때문에 사용자는 RJ45(트랜스포머가 포함된)에 연결하면 하면 Ethernet을 바로 사용할 수 있습니다. W5500-io는 Ethernet 시스템을 빠르게 개발하려는 사용자에게 이상적인 옵션입니다. W5500-io는 W5100S-io 및 W6100-io와 하드웨어 호환이 가능합니다.
Feature
- Plugin Network Module.
- Hardware compatible with W5100S-io, W6100-io.
- Usable without H/W design for W5500.
- Fast evaluation for W5500 & MCU in the target board.
- Support high speed SPI interface.
- Supports TCP/IP protocols such as TCP, UDP, IPv4, ICMP, IGMP, ARP and PPPoE
- Very small form factor : 20mm x 24mm x 2.6mm
Reference Schematic

위 사진이 W5100s-io의 Reference Schematic입니다. 아주 간단한 회로입니다. 단순하게 연결만 하면 됩니다. 3.3V 전압을 연결하고, Host MCU와는 SPI, RJ45와는 MDI 신호만 연결하면 바로 사용이 가능합니다. 아주 간단하게 이더넷 기능을 추가할 수 있습니다.
아래 링크를 클릭해서 파일을 다운로드하면 자세한 회로를 볼 수 있습니다.
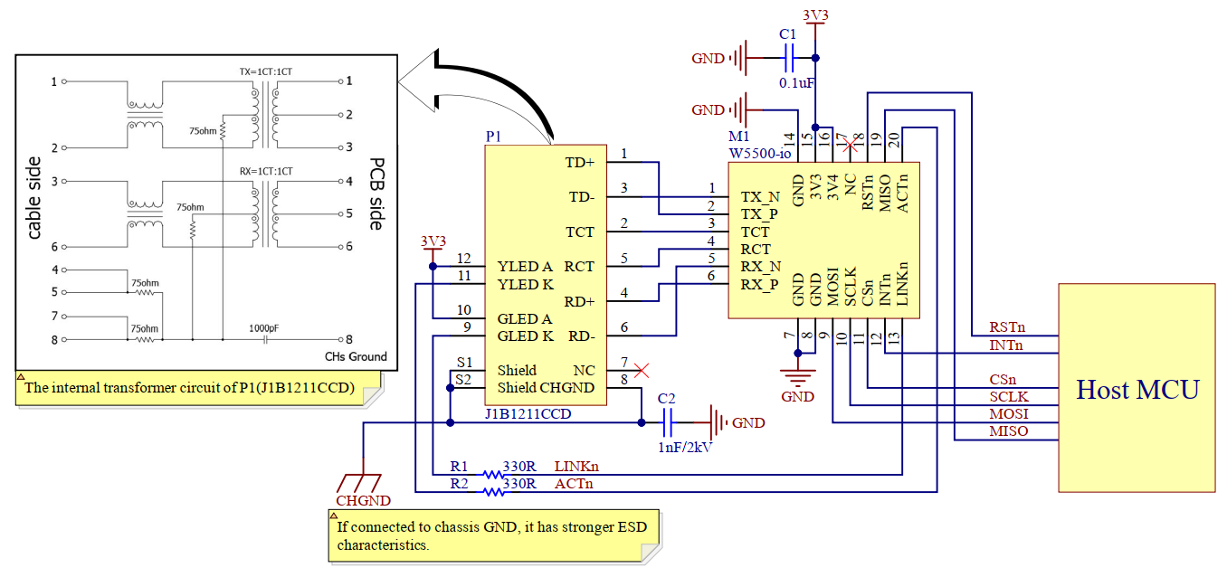
W5500-io Ref SCH

W5500-io는 W5500를 포함한 콤팩트한 크기의 네트워크 io 모듈입니다. 기본적으로 W5500를 사용하기 위한 회로가 포함되어 있고 PHY 회로도 가지고 있기 때문에 사용자는 RJ45(트랜스포머가 포함된)에 연결하면 하면 Ethernet을 바로 사용할 수 있습니다. W5500-io는 Ethernet 시스템을 빠르게 개발하려는 사용자에게 이상적인 옵션입니다. W5500-io는 W5100S-io 및 W6100-io와 하드웨어 호환이 가능합니다.
Feature
- Plugin Network Module.
- Hardware compatible with W5100S-io, W6100-io.
- Usable without H/W design for W5500.
- Fast evaluation for W5500 & MCU in the target board.
- Support high speed SPI interface.
- Supports TCP/IP protocols such as TCP, UDP, IPv4, ICMP, IGMP, ARP and PPPoE
- Very small form factor : 20mm x 24mm x 2.6mm
Reference Schematic

위 사진이 W5500-io의 Reference Schematic입니다. 아주 간단한 회로입니다. 단순하게 연결만 하면 됩니다. 3.3V 전압을 연결하고, Host MCU와는 SPI, RJ45와는 MDI 신호만 연결하면 바로 사용이 가능합니다. 아주 간단하게 이더넷 기능을 추가할 수 있습니다.
아래 링크를 클릭해서 파일을 다운로드하면 자세한 회로를 볼 수 있습니다.
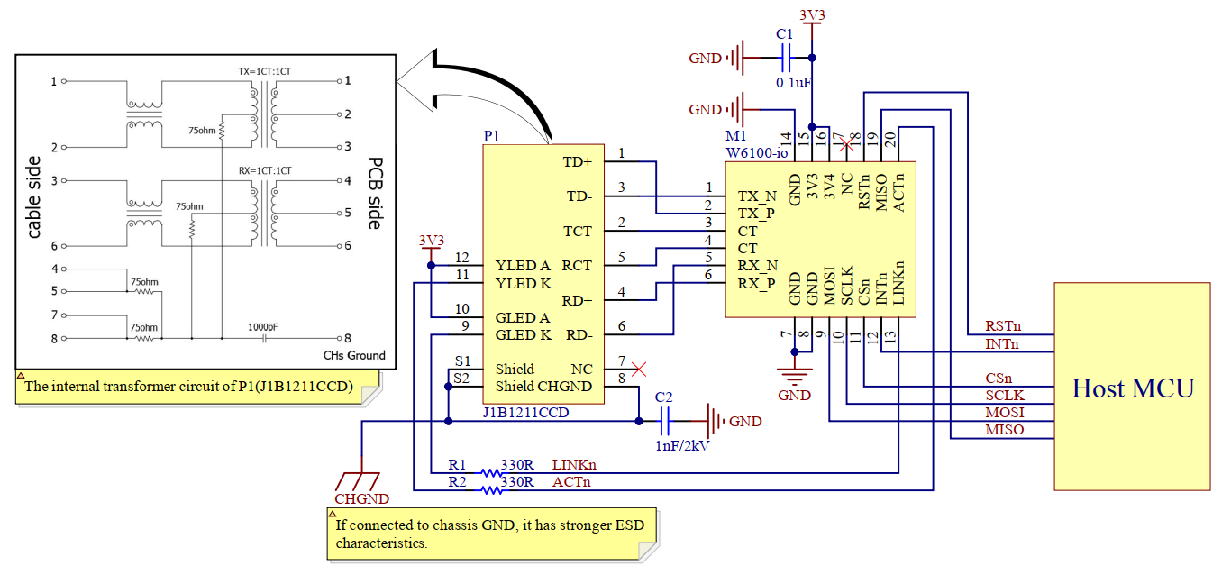
W6100-io Ref SCH

W6100-io는 W6100를 포함한 콤팩트한 크기의 네트워크 io 모듈입니다. 기본적으로 W6100를 사용하기 위한 회로가 포함되어 있고 PHY 회로도 가지고 있기 때문에 사용자는 RJ45(트랜스포머가 포함된)에 연결하면 하면 Ethernet을 바로 사용할 수 있습니다. W6100-io는 Ethernet 시스템을 빠르게 개발하려는 사용자에게 이상적인 옵션입니다. W6100-io는 IPv4와 IPv6를 지원하고 있어 IPv6가 필요한 사용자에게 적합한 모듈입니다. W6100-io는 W5100S-io 및 W5500-io와 하드웨어 호환이 가능합니다.
Feature
- Plugin Network Module.
- Hardware compatible with W5100S-io, W5500-io.
- Usable without H/W design for W6100.
- Fast evaluation for W6100 & MCU in the target board.
- Support high speed SPI interface.
- Supports TCP/IP protocols such as TCP, UDP, IPv6, IPv4, ICMPv6, ICMPv4, IGMP, ARP and PPPoE
- Very small form factor : 20mm x 24mm x 2.6mm
Reference Schematic

위 사진이 W6100-io의 Reference Schematic입니다. 아주 간단한 회로입니다. 단순하게 연결만 하면 됩니다. 3.3V 전압을 연결하고, Host MCU와는 SPI, RJ45와는 MDI 신호만 연결하면 바로 사용이 가능합니다. 아주 간단하게 이더넷 기능을 추가할 수 있습니다.
아래 링크를 클릭해서 파일을 다운로드하면 자세한 회로를 볼 수 있습니다.
'IT / Development > WIZnet & Network ' 카테고리의 다른 글
| W5100S-EVB-Pico에 리셋 스위치 추가 (0) | 2021.11.30 |
|---|---|
| W5100S-EVB-Pico를 아두이노 IDE에서 사용하기(라즈베리파이 피코) (0) | 2021.09.29 |
| 라즈베리파이 피코 호환 보드 - WIZnet Ethernet HAT, W5100S-EVB-Pico (0) | 2021.09.29 |
| 라즈베리파이 피코 이더넷 쉴드 - W5500 (0) | 2021.06.07 |
| WizFi360 기본 회로에 대해서 알아보자 (0) | 2020.05.13 |